Инструменты пользователя

Инструменты сайта


wiki:if:diff:start

Differential Standards

Conversions

CML to CML (DC)

CML to CML (AC)

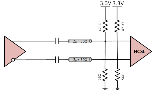
CML to HCSL (AC)

CML to HSTL (AC)

CML to LVDS (AC)

Common mode voltage = 1.2V

CML to LVPECL (AC)

HCSL to CML (AC)

HCSL to LVDS (AC)

HCSL to LVPECL (AC)

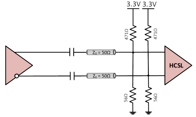
HCSL to HCSL (AC)

HCSL to HCSL (DC)

LPHCSL to HCSL (DC)

LPHCSL to LVDS (AC)

HSTL to HSTL (AC)

HSTL to CML (AC)

HSTL to LVDS (AC)

HSTL to LVPECL (AC)

LVDS to LVDS (AC)

common mode voltage=1.2V

common mode voltage=1.2V

LVDS to LVDS (DC)

LVDS to CML (AC)

LVDS to HCSL (AC)

common mode voltage = 400mV

LVDS to HSTL (AC)

LVDS to LVPECL (DC)

LVDS to LVPECL (AC)

LVPECL to LVPECL (DC)

LVPECL to LVPECL (AC)

Thevenin termination

LVPECL to LVDS (DC)

LVPECL to LVDS (AC)

common mode voltage=1.2V

LVPECL to CML (DC)

It is not recommended to DC couple LVPECL to CML unless AC coupling cannot be used due, for example, to unbalanced data.

LVPECL to CML (AC)

LVPECL to HSTL (AC)

LVPECL to HCSL (AC)

LVDS

SMARC

wiki:if:diff:lvds-smarc.png

wiki/if/diff/start.txt · Последнее изменение: Roman Abakumov