| https://semiconductor.samsung.com/dram/lpddr/lpddr4x/ | Samsung | BGA200 up to 32Gb and more |
| https://product.skhynix.com/products/dram/lpddr/lpddr4x_4.go | SKHynix | BGA200 up to 32Gb and more |
| https://www.micron.com/products/dram/lpdram/part-catalog | Micron | BGA200 up to 24Gb (купил Elpida) |
| https://www.nanya.com/en/Product/List/547/2356 | Nanya | BGA200 up to 32Gb |
| Quimonda | Обанкротилась | |
| https://www.issi.com/US/product-dram-lpddr4.shtml | ISSI | BGA200 up to 8Gb |
| https://www.alliancememory.com/products/lpddr4-mobile-ddr4/ | Alliancememory | BGA200 up to 8Gb |
| https://www.intelligentmemory.com/dram-components/LPDDR4/ | Intelligentmemory | BGA200 up to 8Gb |
| https://www.winbond.com/hq/product/mobile-dram/low-power-ddr4-ddr4x-sdram/?__locale=en | Winbond | BGA200 up to 4Gb |
| https://www.apmemory.com/products/low-power-dram/ | Apmemory | 512Mb(x16) under development (Дочка Powerchip) |
| https://www.cxmt.com/en/products/lpddr4x-dram/ | ChangXin Memory Technologies | No info |
| https://en.biwin.com.cn/ | BIWIN | packaging only? |
| MT53D512M32D2DS-053WT:D | Micron | LPDDR4\4x | 32b | 16gb | -20…85 | EOL | D9WHZ | |
| H2AB32G32D6CPAAI | HWA LING (axeme) | LPDDR4 | 3733 | 32b | 32gb | -40…95 | ||
| W66BQ6NB | Winbond | LPDDR4X | 2Gb | |||||
| W66CQ2NQ | Winbond | LPDDR4X | 4Gb | |||||
| NCLD4C1MA256M32 | FORESEE | LPDDR4 | 8Gb | |||||
| NCLD4C2MA512M32 | FORESEE | LPDDR4 | 16Gb | |||||
| NCLD4C2MA768M32 | FORESEE | LPDDR4 | 24Gb | |||||
| NCLD4C2MA001G32 | FORESEE | LPDDR4 | 32Gb |
| Capacity | Width | CS (Rank) | Channels | Dies | Link | Diagram |
|---|---|---|---|---|---|---|
| 16 Gb | x16 | 1 CS | 1 Channel | 1 Die | MT53E1G16D1 | |
| 16 Gb | x16+x16 | 1 CS | 2 Channel | 1 Die | A8XAGH50ABA | |
| 8 Gb | x16+x16 | 1 CS | 2 Channel | 1 Die | H9HCNNN8KUMLHR | |
| 16 Gb | x16+x16 | 1 CS | 2 Channel | 1 Die | K4F6E3S4HM | |
| 16 Gb | x16+x16 | 1 CS | 2 Channel | 1 Die | RS512M32LO4D1BDS-46IT | |
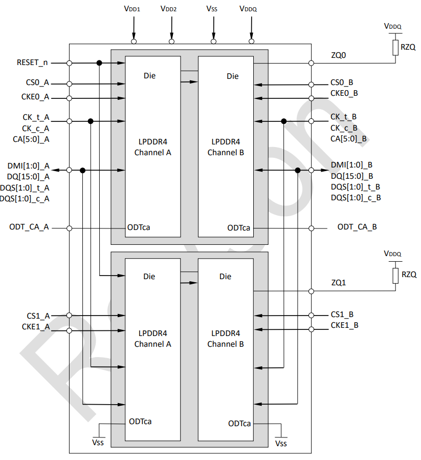
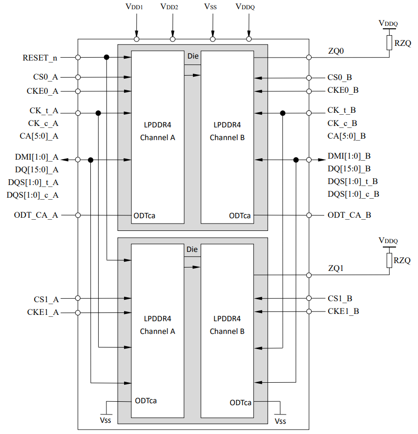
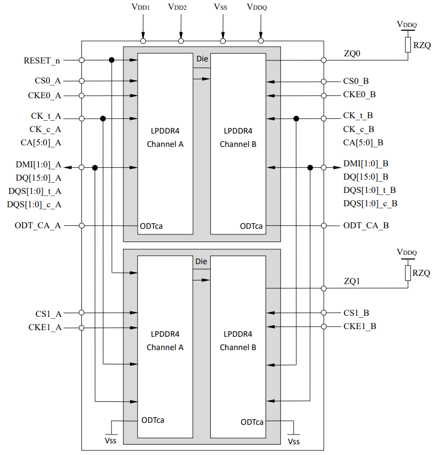
| 16 Gb | x16+x16 | 1 CS | 2 Channel | 2 Die | MT53D512M32D2 | |
| 32 Gb | x16+x16 | 1 CS | 2 Channel | 2 Die | MT53E1G32D2 | |
| 32 Gb | x16+x16 | 1 CS | 2 Channel | 2 Die | RS1G32LV4D2BDS-53BT | |
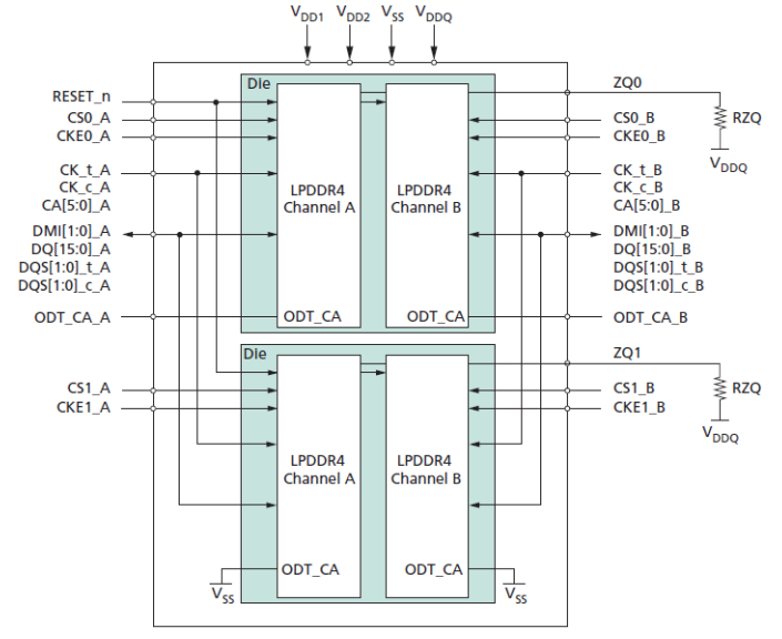
| 16 Gb | x16+x16 | 2 CS | 2 Channel | 2 Die | H2AB16G32D6C | |
| 32 Gb | x16+x16 | 2 CS | 2 Channel | 2 Die | RS1G32LO4D2BDS-46IT | |
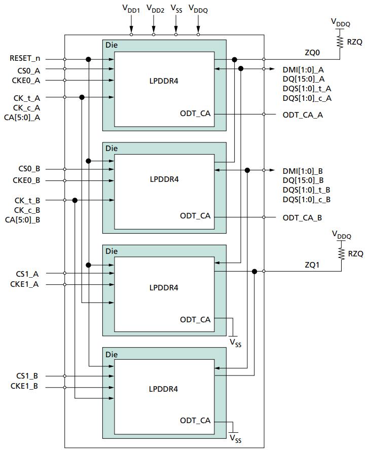
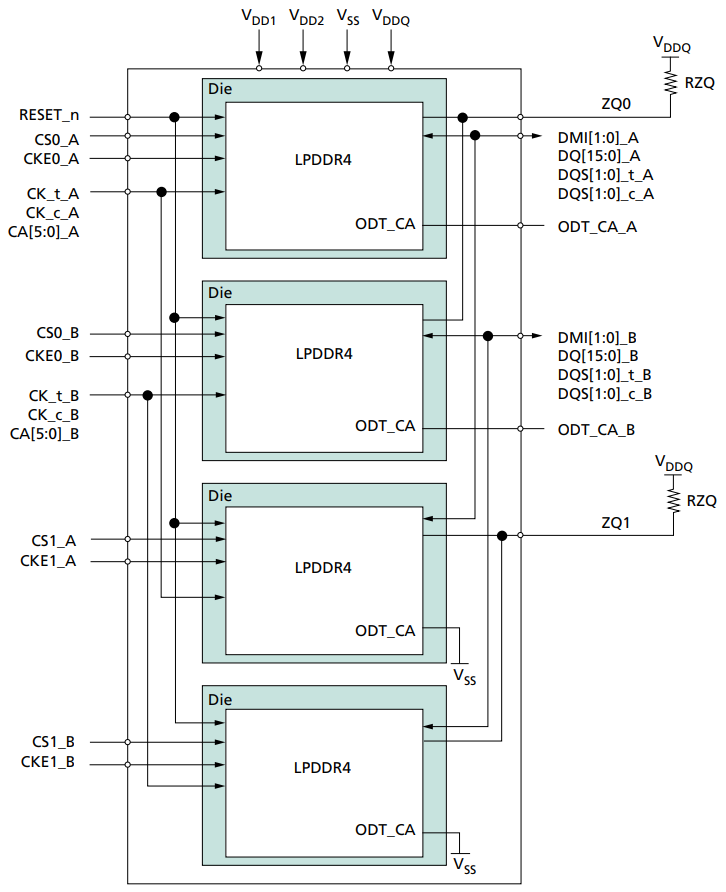
| 32 Gb | x16+x16 | 2 CS | 2 Channel | 4 Die | MT53D1024M32D4 | |
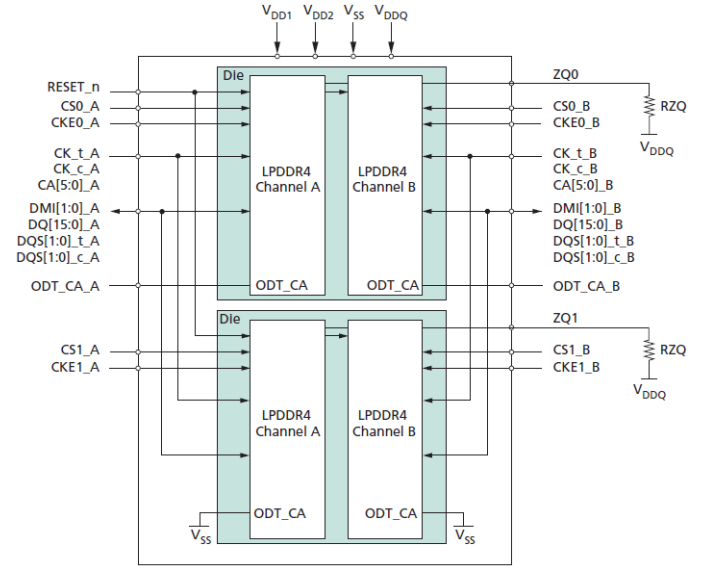
| 64 Gb | X16+x16 | 2 CS | 2 Channel | 4 Die | MT53E2G32D4 | |
| 64 Gb | x16+x16 | 2 CS | 2 Channel | 4 Die | RS2G32LV4D4BDT-53BT | |
| 64 Gb | x16+x16 | 2 CS | 2 Channel | 4 Die | RS2G32LV4D4BDT-46IT | |
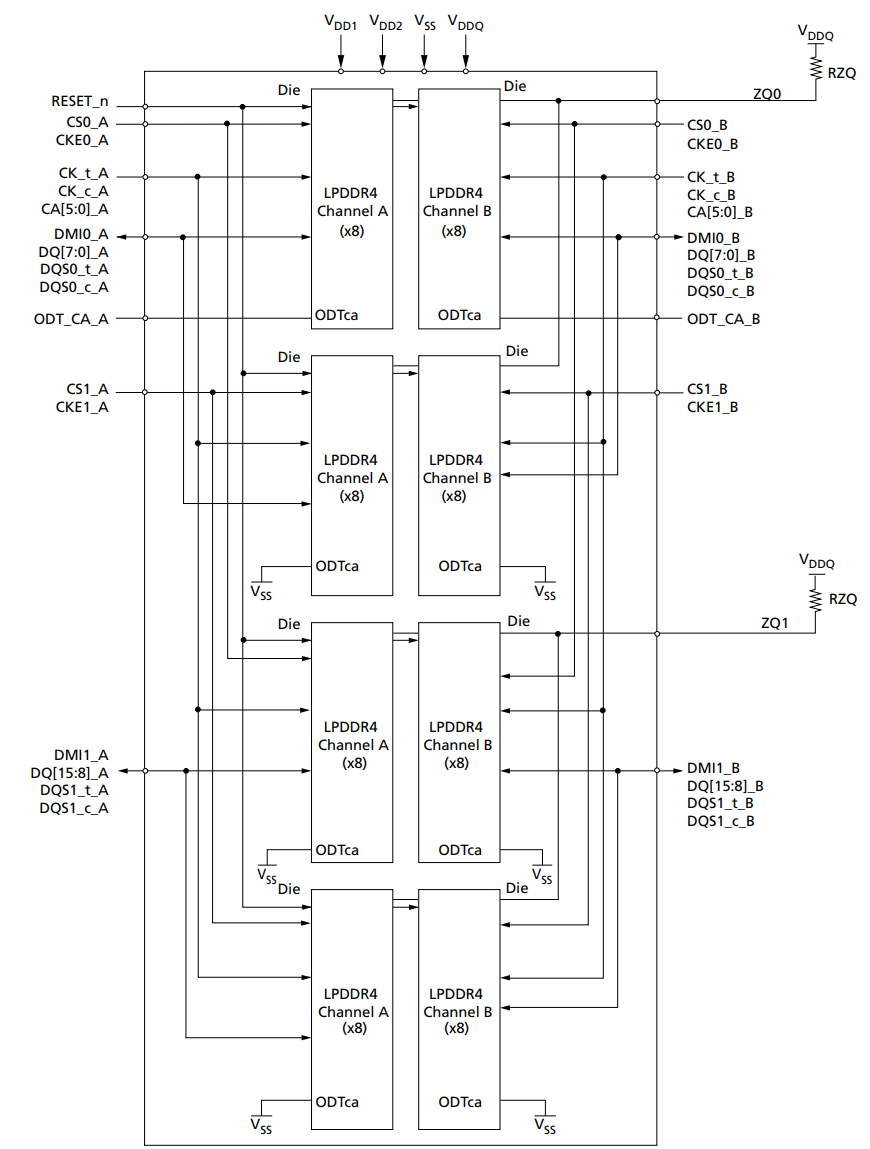
| 128 Gb | x16+x16 | 2 CS | 2 Channel | 8 Die | RS4G32LV4D8BDT-53BT | |
| H9HCNNNCPUMLXR-NEE | PC | LPDDR4 | 4GB | 1.8V / 1.1V / 1.1V | 4266Mbps | 200Ball | MP | -25 |
| H9HCNNNBKUMLXR-NEE | PC | LPDDR4 | 2GB | 1.8V / 1.1V / 1.1V | 4266Mbps | 200Ball | MP | -25 |
| H9HCNNNBPUMLHR-NME | PC | LPDDR4 | 2GB | 1.8V / 1.1V / 1.1V | 3733Mbps | 200Ball | MP | -25 |
| H9HCNNNBPUMLHR-NLE | PC | LPDDR4 | 2GB | 1.8V / 1.1V / 1.1V | 3200Mbps | 200Ball | MP | -25 |
| H9HCNNN8KUMLHR-NME | PC | LPDDR4 | 1GB | 1.8V / 1.1V / 1.1V | 3733Mbps | 200Ball | MP | -25 |
| H9HCNNN8KUMLHR-NLE | PC | LPDDR4 | 1GB | 1.8V / 1.1V / 1.1V | 3200Mbps | 200Ball | MP | -25 |
| H9HCNNNCPUMLXR-NEE | Consumer | LPDDR4 | 4GB | 1.8V / 1.1V / 1.1V | 4266Mbps | 200Ball | MP | -25 |
| H9HCNNNCPUMLXR-NEI | Consumer | LPDDR4 | 4GB | 1.8V / 1.1V / 1.1V | 4266Mbps | 200Ball | MP | -40 |
| H9HCNNNCPUMLHR-NME | Consumer | LPDDR4 | 4GB | 1.8V / 1.1V / 1.1V | 3733Mbps | 200Ball | MP | -25 |
| H9HCNNNBKUMLXR-NEI | Consumer | LPDDR4 | 2GB | 1.8V / 1.1V / 1.1V | 4266Mbps | 200Ball | MP | -40 |
| H9HCNNNBKUMLXR-NEE | Consumer | LPDDR4 | 2GB | 1.8V / 1.1V / 1.1V | 4266Mbps | 200Ball | MP | -25 |
| H9HCNNNBKUMLHR-NME | Consumer | LPDDR4 | 2GB | 1.8V / 1.1V / 1.1V | 3733Mbps | 200Ball | MP | -25 |
| H9HCNNNBKUMLHR-NMI | Consumer | LPDDR4 | 2GB | 1.8V / 1.1V / 1.1V | 3733Mbps | 200Ball | MP | -40 |
| H9HCNNNBPUMLHR-NME | Consumer | LPDDR4 | 2GB | 1.8V / 1.1V / 1.1V | 3733Mbps | 200Ball | MP | -25 |
| H9HCNNNBPUMLHR-NMI | Consumer | LPDDR4 | 2GB | 1.8V / 1.1V / 1.1V | 3733Mbps | 200Ball | MP | -40 |
| H9HCNNNBPUMLHR-NLE | Consumer | LPDDR4 | 2GB | 1.8V / 1.1V / 1.1V | 3200Mbps | 200Ball | MP | -25 |
| H54G36AYRBX257 | Consumer | LPDDR4 | 1GB | 1.8V / 1.1V / 0.6V | 4266Mbps | 200Ball | CS | -25 |
| H54G36AYRJX246 | Consumer | LPDDR4 | 1GB | 1.8V / 1.1V / 0.6V | 4266Mbps | 200Ball | CS | -40 |
| H54G38AYRBX259 | Consumer | LPDDR4 | 1GB | 1.8V / 1.1V / 0.6V | 4266Mbps | 200Ball | CS | -25 |
| H9HCNNN8KUMLHR-NME | Consumer | LPDDR4 | 1GB | 1.8V / 1.1V / 1.1V | 3733Mbps | 200Ball | MP | -25 |
| H9HCNNN8KUMLHR-NMI | Consumer | LPDDR4 | 1GB | 1.8V / 1.1V / 1.1V | 3733Mbps | 200Ball | MP | -40 |
| H54G26AYRBX256 | Consumer | LPDDR4 | 0.5GB | 1.8V / 1.1V / 0.6V | 4266Mbps | 200Ball | CS | -25 |
| H9HCNNN4KUMLHR-NMI | Consumer | LPDDR4 | 0.5GB | 1.8V / 1.1V / 1.1V | 3733Mbps | 200Ball | MP | -40 |
| H9HCNNN4KUMLHR-NME | Consumer | LPDDR4 | 0.5GB | 1.8V / 1.1V / 1.1V | 3733Mbps | 200Ball | MP | -25 |
| H54G56BYYQX046 | Automotive | LPDDR4 | 4GB | 1.8V / 1.1V / 1.1V | 4266Mbps | 200Ball | MP | -40 |
| H54G56BYYVX046 | Automotive | LPDDR4 | 4GB | 1.8V / 1.1V / 1.1V | 4266Mbps | 200Ball | MP | -40 |
| H54G56BYYPX046 | Automotive | LPDDR4 | 4GB | 1.8V / 1.1V / 1.1V | 4266Mbps | 200Ball | MP | -40 |
| H9HCNNNCPUMLHR-NMN | Automotive | LPDDR4 | 4GB | 1.8V / 1.1V / 1.1V | 3733Mbps | 200Ball | MP | -40 |
| H9HCNNNCPUMLHR-NMO | Automotive | LPDDR4 | 4GB | 1.8V / 1.1V / 1.1V | 3733Mbps | 200Ball | MP | -40 |
| H54G46BYYVX053 | Automotive | LPDDR4 | 2GB | 1.8V / 1.1V / 1.1V | 4266Mbps | 200Ball | MP | -40 |
| H54G46BYYPX053 | Automotive | LPDDR4 | 2GB | 1.8V / 1.1V / 1.1V | 4266Mbps | 200Ball | MP | -40 |
| H54G46BYYQX053 | Automotive | LPDDR4 | 2GB | 1.8V / 1.1V / 1.1V | 4266Mbps | 200Ball | MP | -40 |
| H9HCNNNBPUMLHR-NMO | Automotive | LPDDR4 | 2GB | 1.8V / 1.1V / 1.1V | 3733Mbps | 200Ball | MP | -40 |
| H9HCNNNBPUMLHR-NMN | Automotive | LPDDR4 | 2GB | 1.8V / 1.1V / 1.1V | 3733Mbps | 200Ball | MP | -40 |
| H9HCNNNBKUMLHR-NMO | Automotive | LPDDR4 | 2GB | 1.8V / 1.1V / 1.1V | 3733Mbps | 200Ball | MP | -40 |
| H9HCNNNBKUMLHR-NMN | Automotive | LPDDR4 | 2GB | 1.8V / 1.1V / 1.1V | 3733Mbps | 200Ball | MP | -40 |
| H9HCNNN8KUMLHR-NMN | Automotive | LPDDR4 | 1GB | 1.8V / 1.1V / 1.1V | 3733Mbps | 200Ball | MP | -40 |
| H9HCNNN8KUMLHR-NMO | Automotive | LPDDR4 | 1GB | 1.8V / 1.1V / 1.1V | 3733Mbps | 200Ball | MP | -40 |
| H9HCNNN4KUMLHR-NMO | Automotive | LPDDR4 | 0.5GB | 1.8V / 1.1V / 1.1V | 3733Mbps | 200Ball | MP | -40 |
| H9HCNNN4KUMLHR-NMP | Automotive | LPDDR4 | 0.5GB | 1.8V / 1.1V / 1.1V | 3733Mbps | 200Ball | MP | -40 |
| H9HCNNN4KUMLHR-NMN | Automotive | LPDDR4 | 0.5GB | 1.8V / 1.1V / 1.1V | 3733Mbps | 200Ball | MP | -40 |
| H9HCNNNFAMMLXR-NEE | PC | LPDDR4X | 8GB | 1.8V / 1.1V / 0.6V | 4266Mbps | 200Ball | MP | -25 |
| H9HCNNNFAMALTR-NME | PC | LPDDR4X | 8GB | 1.8V / 1.1V / 0.6V | 3733Mbps | 200Ball | MP | -25 |
| H9HCNNNCPMMLXR-NEE | PC | LPDDR4X | 4GB | 1.8V / 1.1V / 0.6V | 4266Mbps | 200Ball | MP | -25 |
| H9HCNNNCPMALHR-NEE | PC | LPDDR4X | 4GB | 1.8V / 1.1V / 0.6V | 4266Mbps | 200Ball | MP | -25 |
| H9HCNNNBKMALHR-NEE | PC | LPDDR4X | 2GB | 1.8V / 1.1V / 0.6V | 4266Mbps | 200Ball | MP | -25 |
| H9HCNNNBKMMLXR-NEE | PC | LPDDR4X | 2GB | 1.8V / 1.1V / 0.6V | 4266Mbps | 200Ball | MP | -25 |
| H54G66BYYJX104 | Consumer | LPDDR4X | 8GB | 1.8V / 1.1V / 0.6V | 4266Mbps | 200Ball | MP | -40 |
| H9HCNNNFAMMLXR-NEI | Consumer | LPDDR4X | 8GB | 1.8V / 1.1V / 0.6V | 4266Mbps | 200Ball | MP | -40 |
| H9HCNNNFAMMLXR-NEE | Consumer | LPDDR4X | 8GB | 1.8V / 1.1V / 0.6V | 4266Mbps | 200Ball | MP | -25 |
| H9HCNNNCPMMLXR-NEE | Consumer | LPDDR4X | 4GB | 1.8V / 1.1V / 0.6V | 4266Mbps | 200Ball | MP | -25 |
| H54G56BYYJX089 | Consumer | LPDDR4X | 4GB | 1.8V / 1.1V / 0.6V | 4266Mbps | 200Ball | MP | -40 |
| H9HCNNNCPMMLXR-NEI | Consumer | LPDDR4X | 4GB | 1.8V / 1.1V / 0.6V | 4266Mbps | 200Ball | MP | -40 |
| H9HCNNNCPMMLHR-NMI | Consumer | LPDDR4X | 4GB | 1.8V / 1.1V / 0.6V | 3733Mbps | 200Ball | MP | -40 |
| H9HCNNNCPMMLHR-NME | Consumer | LPDDR4X | 4GB | 1.8V / 1.1V / 0.6V | 3733Mbps | 200Ball | MP | -25 |
| H54G46BYYJX085 | Consumer | LPDDR4X | 2GB | 1.8V / 1.1V / 0.6V | 4266Mbps | 200Ball | MP | -40 |
| H9HCNNNBKMMLXR-NEI | Consumer | LPDDR4X | 2GB | 1.8V / 1.1V / 0.6V | 4266Mbps | 200Ball | MP | -40 |
| H9HCNNNBKMMLXR-NEE | Consumer | LPDDR4X | 2GB | 1.8V / 1.1V / 0.6V | 4266Mbps | 200Ball | MP | -25 |
| H9HCNNNBKMMLHR-NME | Consumer | LPDDR4X | 2GB | 1.8V / 1.1V / 0.6V | 3733Mbps | 200Ball | MP | -25 |
| H9HCNNNBKMMLHR-NMI | Consumer | LPDDR4X | 2GB | 1.8V / 1.1V / 0.6V | 3733Mbps | 200Ball | MP | -40 |
| H9HCNNN4KMMLHR-NME | Consumer | LPDDR4X | 0.5GB | 1.8V / 1.1V / 0.6V | 3733Mbps | 200Ball | MP | -25 |
| H54G66BYYVX104 | Automotive | LPDDR4X | 8GB | 1.8V / 1.1V / 0.6V | 4266Mbps | 200Ball | MP | -40 |
| H54G66BYYPX104 | Automotive | LPDDR4X | 8GB | 1.8V / 1.1V / 0.6V | 4266Mbps | 200Ball | MP | -40 |
| H54G66BYYQX104 | Automotive | LPDDR4X | 8GB | 1.8V / 1.1V / 0.6V | 4266Mbps | 200Ball | MP | -40 |
| H54G56BYYPX089 | Automotive | LPDDR4X | 4GB | 1.8V / 1.1V / 0.6V | 4266Mbps | 200Ball | MP | -40 |
| H54G56BYYVX089 | Automotive | LPDDR4X | 4GB | 1.8V / 1.1V / 0.6V | 4266Mbps | 200Ball | MP | -40 |
| H9HCNNNCPMMLHR-NMO | Automotive | LPDDR4X | 4GB | 1.8V / 1.1V / 0.6V | 3733Mbps | 200Ball | MP | -40 |
| H9HCNNNCPMMLHR-NMN | Automotive | LPDDR4X | 4GB | 1.8V / 1.1V / 0.6V | 3733Mbps | 200Ball | MP | -40 |
| H54G46BYYQX085 | Automotive | LPDDR4X | 2GB | 1.8V / 1.1V / 0.6V | 4266Mbps | 200Ball | MP | -40 |
| H54G46BYYVX085 | Automotive | LPDDR4X | 2GB | 1.8V / 1.1V / 0.6V | 4266Mbps | 200Ball | MP | -40 |
| H54G46BYYPX085 | Automotive | LPDDR4X | 2GB | 1.8V / 1.1V / 0.6V | 4266Mbps | 200Ball | MP | -40 |
| H9HCNNNBKMMLHR-NMO | Automotive | LPDDR4X | 2GB | 1.8V / 1.1V / 0.6V | 3733Mbps | 200Ball | MP | -40 |
| H9HCNNNBKMMLHR-NMN | Automotive | LPDDR4X | 2GB | 1.8V / 1.1V / 0.6V | 3733Mbps | 200Ball | MP | -40 |
| H54G38AYRPX264 | Automotive | LPDDR4X | 1GB | 1.8V / 1.1V / 0.6V | 4266Mbps | 200Ball | MP | -40 |
| H54G36AYRPX246 | Automotive | LPDDR4X | 1GB | 1.8V / 1.1V / 0.6V | 4266Mbps | 200Ball | MP | -40 |
| H54G36AYRQX246 | Automotive | LPDDR4X | 1GB | 1.8V / 1.1V / 0.6V | 4266Mbps | 200Ball | MP | -40 |
| H54G38AYRVX264 | Automotive | LPDDR4X | 1GB | 1.8V / 1.1V / 0.6V | 4266Mbps | 200Ball | MP | -40 |
| H54G36AYRVX246 | Automotive | LPDDR4X | 1GB | 1.8V / 1.1V / 0.6V | 4266Mbps | 200Ball | MP | -40 |
| H54G38AYRQX264 | Automotive | LPDDR4X | 1GB | 1.8V / 1.1V / 0.6V | 4266Mbps | 200Ball | MP | -40 |
| H54G26AYRPX066 | Automotive | LPDDR4X | 0.5GB | 1.8V / 1.1V / 0.6V | 4266Mbps | 200Ball | MP | -40 |
| H54G26AYRVX066 | Automotive | LPDDR4X | 0.5GB | 1.8V / 1.1V / 0.6V | 4266Mbps | 200Ball | MP | -40 |
| H54G26AYRQX066 | Automotive | LPDDR4X | 0.5GB | 1.8V / 1.1V / 0.6V | 4266Mbps | 200Ball | MP | -40 |
| H9HCNNN4KMMLHR-NMP | Automotive | LPDDR4X | 0.5GB | 1.8V / 1.1V / 0.6V | 3733Mbps | 200Ball | MP | -40 |
| H9HCNNN4KMMLHR-NMO | Automotive | LPDDR4X | 0.5GB | 1.8V / 1.1V / 0.6V | 3733Mbps | 200Ball | MP | -40 |
| H9HCNNN4KMMLHR-NMN | Automotive | LPDDR4X | 0.5GB | 1.8V / 1.1V / 0.6V | 3733Mbps | 200Ball | MP | -40 |
LPDDR4X is a variant of LPDDR4, with the difference of additional power savings by reducing the I/O voltage from 1.1 V to 0.6 V.
ECC is supported on the LPDDR4 interface. Unlike traditional ECC interfaces which require dedicated memory pins and devices, ECC is supported inline. The ECC system impact is in interface bandwidth and overall memory density, as ECC data is stored alongside non-ECC data.
LPDDR4 memories have software configurable on-die termination for both the data group nets. The DDR subsystem also contains software configurable on-die termination for the address/control group nets. Thus, termination is not required on any DDR signals for an LPDDR4 configuration.
LPDDR4 memories generate their own VREFCA and VREFDQ internally for the address / command bus and data bus, respectively. Similarly, the DDR PHY also provides its own reference voltage for the data group nets during reads. Thus unlike DDR3 and DDR4, VREF does not need to be generated on the board, and there is no required VREF routing for an LPDDR4 configuration.
Unlike DDR3 and DDR4, there is no required termination on the PCB of the address/control bus of an LPDDR4 configuration. All termination is handled internally (on-die). Thus, VTT does not apply for LPDDR4.
| TI | RockChip ref design | |
|---|---|---|
| SE impedance | 40 Ohm | 4mil\0.035u\0.082 prepreg Dk4.5 - ??? Ohm |
| DIFF impedance | 80 Ohm | 3.8mil\6mil\0.035u\0.082 prepreg Dk4.5 - ??? Ohm |
Balanced T traces (also referred to as T-branch traces) are split traces from source to multiple end points. The target impedance of the split trace should be 2 times the non-branched impedance.
The length/delay matching process should include a mechanism for compensating for the velocity delta between these two types of PCB interconnects. A compensation factor of 1.1 has been specified for this purpose by JEDEC. All microstrip segment lengths are to be divided by 1.1 before summation into the length matching equation. The resulting compensated length is termed the 'stripline equivalent length'.
| CK and ADDR_CTRL | TI |
|---|---|
| CK+ to CK- skew | 0.25 ps TYP |
| inside ADDR_CTRL skew | 3 ps TYP |
| CK to ADDR_CTRL skew | 3 ps TYP |
| CK\ADDR_CTRL propagation delay | 250 ps MAX |
| DATA | TI |
| DQS+ to DQS- skew | 0.1 ps TYP |
| inside DQSx + BYTEx skew | 0.5 ps TYP |
| BYTEx\DQSx propagation delay | 250 ps MAX |
| Propagation delay of each DQS pair must be less than propagation delay DQ/DM | |
| Propagation delay of each DQS pair must be less than propagation delay of CK pair. |
| Application Notes | ||||||
|---|---|---|---|---|---|---|
| link | ext | description | manufacturer | version | date | lang |
| 8MN HDG LPDDR4 related excerpts.pdf | i.MX 8M Nano LPDDR4-3200 design recommendations NXP | NXP | EN | |||
| spracn9b.pdf | SPRACN9B Application Report Jacinto 7 LPDDR4 Board Design and Layout Guidelines | Texas Instruments | Rev. B | 2021 | EN | |
| spraar7h.pdf | Application Report SPRAAR7H–August 2014–Revised Ocrtober 2018 High-Speed Interface Layout Guidelines | Texas Instruments | Rev. H | 2018 | EN | |
| Datasheets | ||||||
| link | ext | description | manufacturer | version | date | lang |
| 200b_z11m_non_auto_lpddr4_lpddr4x.pdf | MT53D512M16D1, MT53D512M32D2, MT53D1024M32D4 200b: x16/x32 LPDDR4/LPDDR4X SDRAM 1GB, 2GB, 4GB | Micron | Rev. D 3/20 | 2017 | EN | |